ТЕХНОЛОГИЧЕСКАЯ КАРТА СТРОИТЕЛЬСТВА
Земляные работы

Технологическая карта: Разбивка котлованов для свободностоящих портальных опор ВЛ 330-500 кВ

Данная технологическая карта представляет собой руководство по выполнению работ по разбивке котлованов для свободностоящих портальных промежуточных железобетонных опор типов ПБ 330-7Н, ПБ 500-5Н и ПБ 500-7Н в рамках строительства высоковольтных линий электропередачи. Карта содержит детальное описание последовательности операций, требований к точности, составу бригады и необходимым материально-техническим ресурсам, а также служит пособием для проектирования производства работ.
7 sections 1 figures

Материалы

  • Осевые столбы: деревянные, диаметр 120-140 мм, длина ~1 м (4-6 шт./опора)
  • Колышки деревянные разбивочные: ~10-15 шт./опора
  • Строительная маркировочная краска или мел
  • Веревка или шнур для разметки

Оборудование

  • Теодолит оптический/электронный или тахеометр (Total Station) с треногой, класс точности не ниже 5″ (ISO 17123-3)
  • Геодезические вехи: длиной 2-3 м (3 шт.)
  • Мерная стальная лента или рулетка: класс точности не ниже II (ISO 7502), длиной 30-50 м
  • Приёмник ГНСС (GPS/ГЛОНАСС/Galileo/BeiDou) (опционально, для контроля)
  • Кувалда или молоток
  • Набор мелкого ручного инструмента
1

1. Область применения

Настоящая технологическая карта разработана для обеспечения стандартизированного подхода к разбивке котлованов под свободностоящие железобетонные портальные опоры, используемые на воздушных линиях электропередачи напряжением 330-500 кВ. Карта распространяется на промежуточные типы опор, включая, но не ограничиваясь, ПБ 330-7Н, ПБ 500-5Н и ПБ 500-7Н. Она является основным руководящим документом для выполнения геодезических работ по выносу проектных осей и центров фундаментов на строительной площадке.

Документ предназначен для инженерно-технического персонала, геодезистов, мастеров и бригадиров, ответственных за организацию и выполнение работ по разбивке. Его положения применимы на всех этапах строительного производства, предшествующих земляным работам по устройству фундаментов опор.

Использование данной карты способствует унификации рабочих процессов, повышению точности и качества выполнения геодезических работ, а также обеспечению безопасности труда на строительных объектах высоковольтных линий электропередачи. Карта также может служить основой для разработки проектов производства работ (ППР) на конкретных объектах.

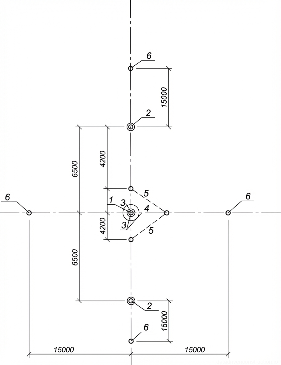
Рис. 1-1 — Схема разбивки котлованов для опор воздушной линии электропередачи
Рис. 1 — Схема разбивки котлованов для опор воздушной линии электропередачи
1Пикетный столб: Основной маркер, как правило, деревянный или металлический кол, забиваемый в грунт для определения главной опорной точки разбивки, обычно на оси ВЛ.
2Центр котлована: Отмеченная точка, часто колышек или веха, указывающая точный центр запланированного котлована для фундамента опоры.
3Сторона веревочного треугольника: Одна из трех сторон геометрического треугольника, как правило, веревка или мерная лента, используемая в методе соотношения 3:4:5 для определения перпендикулярных линий оси траверсы при отсутствии теодолита.
4Сторона веревочного треугольника: Другая сторона геометрического веревочного треугольника, являющаяся частью соотношения 3:4:5 для точной установки прямого угла.
5Сторона веревочного треугольника: Третья сторона, или гипотенуза, веревочного треугольника, завершающая соотношение 3:4:5 для обеспечения точной перпендикулярной ориентации оси траверсы относительно оси ВЛ.
6Осевой столб: Маркер, как правило, деревянный или металлический кол, используемый для определения и фиксации соосности как основной оси воздушной линии (ВЛ), так и перпендикулярной оси траверсы, выходящей за пределы непосредственной зоны котлована фундамента.
2

2. Подготовительные работы

Перед началом работ по разбивке котлованов необходимо выполнить комплекс подготовительных мероприятий на пикете. Эти работы включают в себя детальное изучение проектной документации, включая генеральный план, схемы расположения опор, проектные отметки и спецификации фундаментов. Особое внимание следует уделить наличию и проверке актуальности геодезических опорных пунктов (реперов) на участке строительства.

Площадка в зоне производства работ должна быть очищена от посторонних предметов, кустарника, высоких сорных растений и других препятствий, которые могут затруднить работу геодезических приборов или перемещение персонала. При необходимости следует выполнить планировку небольшой площади вокруг пикетного столба для обеспечения ровной поверхности для установки теодолита и удобства выполнения измерений.

Также требуется обеспечить наличие всех необходимых инструментов и материалов, указанных в разделе 6 настоящей карты. Все измерительные приборы должны быть поверены и иметь действующие калибровочные сертификаты в соответствии с международными стандартами, например, ISO 17123. Бригада должна быть проинструктирована по технике безопасности и иметь средства индивидуальной защиты. Доступ к пикету должен быть обеспечен для транспортных средств и персонала.

3

3. Процедура разбивки котлованов

Процесс разбивки котлованов выполняется последовательно и включает определение, вынос и закрепление на местности проектных осей воздушной линии, поперечной оси траверсы опоры и центров каждого котлована. Точность выполнения этих операций критически важна для правильной установки фундаментов и обеспечения проектного положения всей конструкции опоры.

На первом этапе необходимо определить и закрепить на местности ось воздушной линии (ВЛ). Эта работа выполняется с использованием высокоточного теодолита или современного тахеометра (Total Station, соответствующего ISO 17123) и геодезических вех. Инструмент устанавливается на исходной точке, а ось ВЛ фиксируется по створу с помощью визирования на удаленные ориентиры или ранее установленные реперы. Затем выносится и закрепляется поперечная ось пикета, которая соответствует оси траверсы опоры. В идеале, эта ось должна быть строго перпендикулярна оси ВЛ.

После определения и закрепления основных осей, с использованием мерной стальной ленты или рулетки, согласно проектным размерам, определяются и закрепляются центры каждого котлована, входящего в состав фундаментного поля портальной опоры. Эти центры обозначаются деревянными колышками или осевыми столбами. Для обеспечения точности, рекомендуется проводить контрольные промеры и перекрестные проверки всех размеченных точек.

**Важное замечание:** При отсутствии теодолита или тахеометра, в качестве альтернативного метода для выноса поперечной оси пикета (оси траверсы) может быть использован веревочный треугольник с соотношением сторон 3:4:5. Один из катетов этого треугольника должен быть совмещен с осью ВЛ, что позволяет построить строго перпендикулярную линию. Этот метод, хотя и менее точный, может быть применен для предварительной разбивки или в условиях ограниченного доступа к специализированному оборудованию. Однако окончательная проверка и корректировка всегда должны производиться с использованием более точных геодезических приборов.

  1. 1. **Установка пикетного столба:** Убедиться, что пикетный столб (№1 на Рис. 1-1, если применимо) установлен в соответствии с проектной документацией и служит исходной точкой для разбивки.
  2. 2. **Определение и закрепление оси ВЛ:** Используя теодолит (или тахеометр) и геодезические вехи, вынести и закрепить на местности ось воздушной линии (ВЛ) по створу. Ось должна быть обозначена временными ориентирами (например, вехами или осевыми столбами №6).
  3. 3. **Вынос поперечной оси траверсы (перпендикуляр к оси ВЛ):** * **Метод с теодолитом/тахеометром:** Установить прибор на оси ВЛ в проектной точке опоры, ориентировать его по оси ВЛ, затем повернуть на 90 градусов для выноса поперечной оси траверсы. Закрепить ось вехами или осевыми столбами. * **Метод веревочного треугольника (при отсутствии теодолита):** Сформировать веревочный треугольник с соотношением сторон 3:4:5. Расположить его таким образом, чтобы один из катетов совпадал с ранее закрепленной осью ВЛ. Гипотенуза и второй катет позволят определить точку на перпендикулярной оси. Используя эту точку, продолжить линию, формируя поперечную ось траверсы. Закрепить осевыми столбами.
  4. 4. **Определение и закрепление центров котлованов:** С помощью мерной стальной ленты или рулетки, исходя из проектных размеров расположения фундаментов относительно осей ВЛ и траверсы, определить точное местоположение центров каждого котлована (№2 на Рис. 1-1).
  5. 5. **Фиксация центров котлованов:** Закрепить определенные центры котлованов деревянными колышками, которые должны выступать над поверхностью земли на высоту, достаточную для дальнейшей работы и защиты от случайного смещения.
  6. 6. **Контрольные измерения:** Выполнить контрольные измерения для проверки правильности разбивки: промеры между центрами котлованов, между центрами котлованов и осями, а также диагональные промеры. Убедиться, что все фактические размеры соответствуют проектным с учетом допустимых отклонений.
4

4. Контроль качества и допуски

Для обеспечения высокого качества строительно-монтажных работ и соответствия проектной документации, на каждом этапе разбивки котлованов необходимо осуществлять строгий контроль. Все геодезические приборы должны регулярно проходить поверку и калибровку в соответствии с требованиями стандартов (например, ISO 17123 для оптических и электронных геодезических приборов). Перед началом работ, а также периодически в процессе, следует проверять точность установки приборов и их центрирование.

Проверка правильности вынесенных осей и центров котлованов должна включать:

* **Положение оси ВЛ:** Отклонение от проектной оси ВЛ не должно превышать ±10 мм на расстоянии до 50 метров.

* **Положение поперечной оси траверсы:** Угол между осью ВЛ и поперечной осью траверсы должен составлять 90° ± 5 угловых секунд. Отклонение точек на поперечной оси от проектного положения не должно превышать ±10 мм.

* **Положение центров котлованов:** Отклонение центров котлованов от проектного положения в плане не должно превышать ±15 мм. Проверку осуществляют путем контрольных промеров и обратных засечек от исходных реперов.

* **Проектные отметки:** При выносе отметок (хотя в данной карте не акцентируется, но является частью комплексной разбивки) допуск на вертикальное отклонение должен быть в пределах ±5 мм.

Все выполненные измерения и результаты контроля качества должны быть зафиксированы в исполнительной геодезической документации (исполнительных схемах, актах геодезической разбивки), которая подписывается ответственным геодезистом и представителем строительного контроля. Любые выявленные отклонения, превышающие допустимые значения, требуют немедленного исправления и повторной проверки. Незафиксированные или некорректно выполненные разбивочные работы являются причиной для приостановки последующих этапов строительства.

5

5. Трудовые ресурсы и производительность

Работы по разбивке котлованов для портальных опор ВЛ выполняются специализированным звеном, обладающим необходимой квалификацией и опытом. Эффективность и точность работ напрямую зависят от профессионализма персонала и слаженности действий бригады. Состав звена определяется с учетом объема работ, сложности рельефа и сроков выполнения.

**Состав звена:**

* **Геодезист / Старший электролинейщик (4-5 разряда):** 1 человек. Отвечает за общую координацию работ, выполнение точных инструментальных измерений (работа с теодолитом/тахеометром), обработку данных и ведение геодезической документации. Требуется высшее или среднее специальное образование по геодезии или опыт работы не менее 3 лет в аналогичной должности, а также знание основ геодезических приборов и методов измерений.

* **Рабочий / Электролинейщик (2-3 разряда):** 1 человек. Выполняет вспомогательные работы: установку и центрирование вех, закрепление колышков и осевых столбов, очистку рабочей зоны, работу с измерительной лентой. Требуется опыт работы в строительстве и знание техники безопасности.

**Показатели производительности:**

Трудоемкость на разбивку центров котлованов под одну портальную опору составляет 0,053 чел.-дней. Этот показатель отражает среднее время, необходимое одному рабочему для выполнения полного цикла работ по разбивке для одной опоры в нормальных условиях. При работе звена из двух человек (геодезист и рабочий) производительность составляет:

* Трудоемкость: 0,053 чел.-дней на опору.

* Численность звена: 2 человека.

* Продолжительность разбивки одной опоры: 0,053 чел.-дней / 2 чел. = 0,0265 смен.

* Производительность за одну рабочую смену (8 часов): 1 / 0,0265 = приблизительно 37,7 опор/смена. (Примечание: данный показатель может варьироваться в зависимости от конкретных условий объекта, сложности рельефа и уровня подготовки бригады).

6

6. Материально-техническое обеспечение

Для выполнения работ по разбивке котлованов необходимо наличие следующего оборудования, инструментов и материалов. Все измерительные приборы должны быть поверены и откалиброваны в соответствии с требованиями метрологических стандартов (например, ISO 17123).

**Оборудование:**

* **Теодолит с треногой:** Высокоточный оптический или электронный теодолит для угловых измерений и построения осей. В качестве современной альтернативы может использоваться тахеометр (Total Station) с функцией регистрации данных, что значительно повышает точность и скорость выполнения работ, а также позволяет интегрировать данные с системами ГНСС (глобальных навигационных спутниковых систем).

* **Геодезические вехи:** Комплект вех длиной 2-3 метра для маркировки створов и промежуточных точек.

* **Мерная стальная лента (или рулетка):** Длиной не менее 30-50 метров, с четкой градуировкой, для линейных промеров.

* **Приёмники ГНСС (опционально):** Портативные спутниковые приёмники для высокоточного определения координат в случаях, когда требуется быстрое и эффективное определение местоположения без прямой видимости между точками.

**Материалы:**

* **Осевые столбы:** Деревянные столбы диаметром 120-140 мм и длиной около 1 м. Используются для долговременного закрепления основных осей и отметки центров котлованов. Потребность: несколько штук на одну опору (4-6 шт.).

* **Деревянные разбивочные колышки:** Для временного или менее долговечного закрепления точек. Потребность: до 10-15 шт. на опору.

* **Строительная маркировочная краска или мел:** Для временной маркировки на земле.

* **Кувалда / молоток:** Для забивки колышков и столбов.

* **Веревка / шнур:** Для построения прямых линий и использования в методе веревочного треугольника.

Данный перечень не включает общий бригадный инвентарь, такой как средства связи, аптечки первой помощи, средства индивидуальной защиты, а также инструмент для мелких земляных работ (лопаты, мотыги), который должен быть предусмотрен в соответствии с внутренними стандартами организации и правилами техники безопасности.

7

7. Практические рекомендации

Для повышения эффективности, точности и безопасности работ по разбивке котлованов рекомендуется придерживаться следующих практических советов:

1. **Погодные условия:** Работы с геодезическими приборами чувствительны к неблагоприятным погодным условиям. Сильный ветер, дождь, снегопад, туман или экстремальные температуры (ниже -25°C или выше +40°C) могут существенно снизить точность измерений и затруднить работу. При возможности, планировать работы на благоприятное время, или обеспечить защиту приборов (например, зонты, палатки) и персонала.

2. **Защита геодезических знаков:** После закрепления осей и центров котлованов необходимо обеспечить их защиту от случайного повреждения или смещения. Вокруг колышков и столбов можно устроить небольшие ограждения или валы из грунта. Всегда оставлять контрольные реперы вне зоны активных земляных работ для последующих проверок.

3. **Двойная проверка:** При выполнении ответственных разбивочных работ всегда проводить двойную проверку измерений, используя различные методы или привлекая другого специалиста. Например, после выноса осей теодолитом, проверить линейные промеры мерной лентой и диагонали, а затем, если возможно, подтвердить координаты с помощью приёмника ГНСС.

4. **Координация с земляными работами:** Тесно взаимодействовать с бригадой, выполняющей земляные работы. Обеспечить своевременную передачу размеченной площадки, четкие инструкции по границам и глубинам копания. Провести инструктаж по сохранности разбивочных знаков до завершения земляных работ.

5. **Ведение документации:** Все результаты разбивочных работ, включая контрольные промеры, использованные приборы и любые отклонения, должны быть тщательно зафиксированы в полевом журнале и исполнительных схемах. Качественная документация является основой для принятия работ и разрешения возможных споров.

Советы и рекомендации
!
**Избегайте смещения знаков:** Убедитесь, что временные и постоянные разбивочные знаки надежно закреплены и защищены от случайного повреждения техникой или персоналом. Недопустимо начинать земляные работы без подтверждения сохранности всех осевых и контурных знаков.
i
**Калибровка оборудования:** Регулярно проверяйте и калибруйте все геодезические приборы (теодолиты, тахеометры, мерные ленты) в соответствии с заводскими рекомендациями и международными стандартами (например, ISO 17123). Используйте только поверенное оборудование с действующими сертификатами.
!
**Проверка перпендикулярности:** Особое внимание уделяйте точности выноса поперечной оси траверсы перпендикулярно оси ВЛ. Ошибки на этом этапе могут привести к перекосу опоры и потребуют дорогостоящих корректировок на более поздних стадиях.
i
**Использование ГНСС:** При наличии используйте системы ГНСС (Global Navigation Satellite System) для оперативной проверки координат основных реперных точек и центров котлованов. Это позволяет значительно сократить время на контроль и повысить общую надежность разбивки.
!
**Погодные ограничения:** При температурах ниже -25°C или выше +40°C, а также при сильном ветре (более 10 м/с), дожде или снегопаде, точность геодезических измерений может значительно снизиться. Рекомендуется переносить работы или применять специальные меры защиты оборудования и персонала.