FICHE TECHNOLOGIQUE DE CONSTRUCTION
Бетонные работы

Fiche technologique : Ferraillage d'une fondation annulaire pour réservoir

La présente fiche technologique détaille le processus de ferraillage de la fondation annulaire d'un réservoir cylindrique préfabriqué en béton armé, destiné au stockage de pétrole, d'une capacité de 10 000 m³. Elle est conçue pour être utilisée par les ingénieurs, les chefs de chantier et les chefs d'équipe comme guide pour l'organisation et l'exécution des travaux, garantissant le respect des exigences techniques et des normes de construction internationales.
6 sections 2 figures

Matériaux

  • Treillis soudés plats : conformes aux spécifications du projet, nuance d'acier selon les normes internationales applicables (par exemple, EN 10080 ou ASTM A615).
  • Cales d'enrobage en béton : en béton de classe minimale C12/15 (M150), assurant l'épaisseur d'enrobage de béton prévue.
  • Matériau d'étanchéité en rouleau : à base de bitume, pour la mise en œuvre d'une étanchéité double couche de la base.
  • Mastic bitumineux : pour coller le matériau d'étanchéité en rouleau et créer une couche étanche.
  • Gants de protection : pour les ouvriers lors du travail manuel avec les armatures.

Équipement

  • Camion : pour la livraison des treillis soudés et autres matériaux sur le site.
  • Pied-de-biche en acier : pour les travaux auxiliaires de déplacement et de positionnement.
  • Seau : pour les petits matériaux ou déchets.
  • Mètre ruban pliant en acier : pour les travaux de mesure et le contrôle des dimensions.
  • Fil à plomb : pour la vérification verticale des structures.
  • Équipements de protection individuelle (EPI) : casques, gants de protection, chaussures de sécurité.
1

1. Dispositions générales et domaine d'application

La présente fiche technologique couvre le cycle complet des travaux de ferraillage de la fondation annulaire d'un réservoir cylindrique préfabriqué en béton armé, destiné au stockage de pétrole, d'une capacité nominale de 10 000 m³. Les méthodes et procédures présentées sont conformes aux principes généraux de la conception type et sont applicables à un large éventail de projets de construction.

Cette fiche sert de base pour l'élaboration de plans d'exécution des travaux (PET) détaillés sur les chantiers de construction, ainsi que de guide pratique pour le personnel d'encadrement sur les sites de construction – ingénieurs, contremaîtres et chefs d'équipe. Son application contribue à la standardisation des processus, à l'optimisation des ressources humaines et à l'assurance d'une haute qualité des travaux exécutés.

Lors de l'adaptation de cette fiche aux conditions spécifiques du chantier, il est nécessaire de préciser les volumes de travail, la liste des moyens de mécanisation utilisés et les besoins en ressources matérielles. Les principales méthodes technologiques d'exécution des travaux décrites dans la fiche doivent être maintenues ou améliorées afin d'accroître l'efficacité et la sécurité du processus. Les travaux de ferraillage de l'ensemble de la fondation annulaire sont réalisés par une équipe de ferrailleurs composée de 4 personnes sur une période estimée de 0,3 jour.

Fig. 1 — Schéma de ferraillage de la fondation annulaire
Fig. 1 — Schéma de ferraillage de la fondation annulaire
1empilements de treillis soudés
2caisse de cales d'enrobage
3cales d'enrobage, disposées sur l'anneau de la fondation
4treillis soudés
5direction de déplacement des ouvriers
6deux couches de matériau d'étanchéité en rouleau
7béton de propreté Coupe 1-1
2

2. Indicateurs technico-économiques

Les indicateurs technico-économiques ci-dessous reflètent l'efficacité calculée et les coûts de main-d'œuvre pour l'ensemble des travaux de ferraillage de ce type de fondation annulaire. Ces données peuvent être utilisées pour la planification des ressources, l'élaboration des calendriers de travail et l'estimation préliminaire des coûts du projet.

Le temps de travail total pour l'exécution de l'ensemble des travaux est de 1,26 homme-jour. Ramené à l'unité de masse d'armature, le temps de travail pour 1 tonne d'armature est de 1,632 homme-jour. Cela permet d'évaluer l'efficacité de l'équipe et de planifier la productivité.

Le rendement moyen par ouvrier et par poste est estimé à 0,61 tonne d'armature. La durée totale des travaux de ferraillage de la fondation annulaire, sur la base de ces indicateurs et de la composition de l'équipe, est de 0,3 jour.

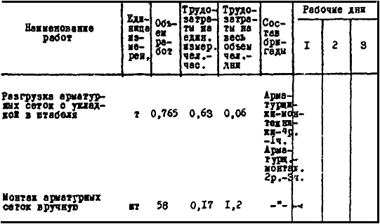
Tableau 4 — Calcul des coûts de main-d'œuvre pour les travaux de construction
Fig. 2 — Calcul des coûts de main-d'œuvre pour les travaux de construction
1Poste de travail : Déchargement et empilage des treillis soudés. Cette tâche comprend la manutention logistique des treillis soudés, plus précisément leur déchargement d'un véhicule et leur organisation en empilements. Le volume de travail est de 0,765 tonne. Le coût de main-d'œuvre est calculé à 0,63 homme-heure par tonne, ce qui donne un coût total de 0,06 homme-heure pour ce volume. L'équipe assignée se compose d'un ferrailleur-monteur de 4ème qualification et de trois ferrailleurs-monteurs de 2ème qualification.
2Poste de travail : Pose manuelle des treillis soudés. Cette tâche couvre le placement et la pose sur site des treillis soudés, spécifiquement pour les treillis pesant jusqu'à 20 kg, réalisés manuellement. Le volume de travail est de 58 pièces. Le coût de main-d'œuvre est de 0,17 homme-heure par pièce, conduisant à un coût total de 1,2 homme-heure pour le volume spécifié. La composition de l'équipe pour cette entrée spécifique n'est pas explicitement détaillée dans cette ligne du tableau.
3

3. Travaux préparatoires et approvisionnement en matériaux et équipements

Avant le début des travaux directs de ferraillage de la fondation annulaire, il est nécessaire de réaliser un ensemble de mesures préparatoires garantissant la continuité et la sécurité du processus. L'étape la plus importante est l'achèvement de la mise en œuvre de la couche d'étanchéité. Cette couche, composée de deux couches de matériau d'étanchéité en rouleau à base de mastic bitumineux, doit être entièrement montée et vérifiée quant à son étanchéité.

Parallèlement, la zone de travail est préparée : installation de l'outillage, des équipements et des moyens de sécurité au travail. Une attention particulière est portée à l'organisation de la zone de stockage temporaire des treillis soudés, qui doit être plane, exempte d'objets étrangers et facilement accessible aux véhicules de livraison. Tous les matériaux et produits nécessaires, y compris les treillis soudés, les cales d'enrobage en béton, les matériaux d'étanchéité et le mastic, doivent être livrés sur le site et stockés conformément aux exigences de stockage.

Le positionnement de l'outillage, des équipements et des moyens de petite mécanisation dans la zone de travail doit être optimal pour assurer un accès rapide et minimiser les déplacements des ouvriers. Un schéma d'implantation approximatif prévoit des empilements de treillis soudés sur le périmètre de la fondation, des caisses de cales d'enrobage en béton et des rouleaux de matériau d'étanchéité. Pour ce type de fondation, 6 empilements de treillis soudés plats, chacun de 10 pièces, sont nécessaires, disposés sur le périmètre pour minimiser la distance de transport manuel (jusqu'à 10 m).

  1. Achever la mise en œuvre de l'étanchéité de la base : poser deux couches de matériau d'étanchéité en rouleau à base de mastic bitumineux.
  2. Préparer et installer dans la zone de travail de l'équipe tout l'outillage, les équipements et les moyens de sécurité nécessaires.
  3. Préparer et nettoyer la zone de stockage des treillis soudés, en assurant son accessibilité pour le déchargement.
  4. Recevoir et livrer sur le site tous les matériaux et produits nécessaires à l'exécution des travaux d'armature (treillis soudés, cales d'enrobage en béton, matériaux d'étanchéité, mastic).
4

4. Technologie de pose des treillis soudés

La pose des treillis soudés plats de la fondation annulaire s'effectue manuellement, ce qui nécessite un travail d'équipe coordonné et le respect d'une séquence d'opérations précise. Les treillis soudés plats, livrés par camion, sont déchargés par l'équipe de ferrailleurs et empilés (10 treillis par empilement) sur le périmètre de la fondation, comme indiqué à la section 3, afin d'assurer une distance de transport minimale jusqu'au lieu de pose. Chaque treillis pèse environ 13,2 kg.

Le processus de pose commence par la préparation de la base. Le ferrailleur-monteur dispose les cales d'enrobage en béton sur le béton de propreté de la fondation annulaire. Ces cales sont d'une importance critique pour former la couche d'enrobage de béton de l'épaisseur requise, assurant la position d'étude correcte de l'armature et sa protection contre la corrosion. L'utilisation des cales doit être conforme aux exigences du projet, assurant généralement une couche d'enrobage d'au moins 30 à 40 mm pour les fondations.

Ensuite, les ferrailleurs-monteurs, manuellement et à l'aide de gants de protection, transportent les treillis soudés des empilements jusqu'au lieu de pose et les placent délicatement sur les cales d'enrobage en béton préparées. Lors de la pose des treillis, les ferrailleurs assurent un positionnement précis et le raboutage des barres des treillis. La vérification de la position des treillis est effectuée selon les niveaux et axes du projet, en tenant compte des écarts admissibles. Les treillis suivants sont posés de manière similaire, formant une ceinture d'armature continue de la fondation.

  1. Déchargement des treillis soudés plats du camion et leur empilement en six piles (10 treillis par pile) sur le périmètre du réservoir, en assurant une distance de transport manuel minimale (jusqu'à 10 m).
  2. Préparation de la base : le ferrailleur-monteur (A2) transporte et dispose les cales d'enrobage en béton sur le béton de propreté de la fondation annulaire pour former la couche d'enrobage de béton.
  3. Transport manuel des treillis soudés : les ferrailleurs-monteurs (A3 et A4) s'approchent de la pile, prennent manuellement (avec des gants de protection) un treillis soudé (pesant 13,2 kg) par les bords et le transportent jusqu'au lieu de pose.
  4. Pose des treillis soudés : les ferrailleurs (A3 et A4) placent délicatement le treillis sur les cales d'enrobage en béton préparées, en les positionnant sous les jonctions des barres du treillis.
  5. Vérification de la position des treillis : les ferrailleurs (A1 et A2) effectuent alternativement ou conjointement la pose et la vérification des treillis selon les axes et niveaux du projet, assurant la précision du montage.
5

5. Organisation du travail et composition de l'équipe

Les travaux de ferraillage de la fondation annulaire sont réalisés par une équipe spécialisée de ferrailleurs-monteurs. Chaque équipe de montage est composée de quatre personnes, ce qui permet de répartir efficacement les tâches et d'optimiser la séquence des opérations. Une telle organisation du travail assure une haute productivité et minimise le temps d'exécution des tâches.

La composition de l'équipe par profession et qualification comprend : un ferrailleur-monteur de 4ème qualification (chef d'équipe, A1) et trois ferrailleurs-monteurs de 2ème qualification (A2, A3, A4). Le chef d'équipe (A1) est responsable de la coordination générale des travaux, du contrôle qualité et de la vérification de la position des treillis. Les ferrailleurs (A2, A3, A4) exécutent les opérations principales de déchargement, de transport manuel, de disposition des cales et de pose des treillis.

La répartition des tâches est la suivante : les ferrailleurs-monteurs A2, A3, A4 participent activement au déchargement des treillis soudés du camion et à leur empilement. A2 est également chargé de l'installation des cales d'enrobage en béton, tandis que A3 et A4 sont responsables du transport manuel et de la pose des treillis. Tous les membres de l'équipe participent à la vérification de la position des treillis montés pour assurer la conformité aux exigences du projet. Les coûts de main-d'œuvre totaux pour le déchargement des treillis et leur empilement s'élèvent à 0,276 homme-heure, et pour la pose manuelle des treillis soudés pesant jusqu'à 20 kg, à 5,046 homme-heures pour l'ensemble des travaux, ce qui conduit à un coût total de main-d'œuvre de 10,34 homme-heures pour le cycle complet de ferraillage.

6

6. Contrôle qualité et exigences de sécurité

Le contrôle qualité du montage des treillis soudés est une étape cruciale pour garantir la durabilité et la fiabilité de l'ensemble de la structure. La qualité est déterminée par le strict respect des tolérances et des écarts par rapport à la position d'étude, établis dans les normes de construction applicables et les standards internationaux (par exemple, ISO 19686 pour l'exécution des structures en béton). Une attention particulière est portée à l'épaisseur de l'enrobage de béton, à la précision géométrique de la cage d'armature et à la fiabilité des liaisons.

Il est nécessaire de surveiller constamment les paramètres suivants : l'emplacement des treillis soudés par rapport aux axes et aux niveaux de la fondation, le respect de l'épaisseur d'enrobage de béton prévue grâce à l'utilisation correcte des cales d'enrobage en béton, l'absence de déformations des armatures, la conformité des recouvrements et des fixations. Tous les écarts par rapport à la documentation de projet doivent être immédiatement corrigés avant le début du bétonnage.

Lors de l'exécution des travaux de montage, il est impératif de respecter scrupuleusement les règles de sécurité et de santé au travail. Cela inclut l'utilisation d'équipements de protection individuelle (casques, gants de protection, chaussures de sécurité), la mise en place de passages et de postes de travail sécurisés, et la délimitation des zones dangereuses. Une attention particulière doit être accordée aux règles de manutention manuelle de charges lourdes. Les travaux doivent être effectués dans des conditions excluant la chute d'objets de hauteur et assurant la stabilité de toutes les structures. L'exécution des travaux est interdite en cas de conditions météorologiques défavorables, telles que vent fort, chutes de neige, verglas ou pluies torrentielles, qui pourraient affecter la sécurité et la qualité du montage.

  1. Vérification de l'achèvement de la couche d'étanchéité quant à son intégrité et son étanchéité.
  2. Inspection visuelle de la zone de stockage des armatures : planéité, propreté, accessibilité.
  3. Contrôle de la quantité et de la qualité des treillis soudés et des cales d'enrobage en béton livrés par rapport aux spécifications du projet.
  4. Vérification de la position des cales d'enrobage en béton sur la fondation : conformité à l'épaisseur de l'enrobage de béton (par exemple, 30-40 mm).
  5. Contrôle de la conformité de la pose des treillis soudés : correspondance avec les axes, niveaux, géométrie et dimensions du projet ; contrôle des écarts admissibles par rapport à la position d'étude, qui ne doivent pas dépasser ±10 mm sur les axes et ±5 mm en hauteur pour les barres d'armature, et ±15 mm pour les cages et les treillis au sein de la fondation.
  6. Assurance d'un poste de travail sûr : présence de garde-corps, absence d'objets étrangers, éclairage suffisant, utilisation d'équipements de protection individuelle.
Conseils et recommandations
i
Pour assurer la durabilité de la structure, il est crucial de maintenir précisément l'épaisseur de l'enrobage de béton. Utilisez toujours des cales en béton calibrées et vérifiez régulièrement leur position avant et pendant la pose des armatures.
!
Avant de commencer le montage des armatures, assurez-vous de l'absence de déformations des treillis et des barres. L'utilisation d'éléments endommagés peut entraîner une réduction de la capacité portante de la structure et augmenter le risque de défaillance. Effectuez un contrôle qualité à réception de tous les matériaux.
i
L'optimisation de l'emplacement des empilements de treillis soudés sur le périmètre de la fondation réduit considérablement le temps de transport manuel du matériau, augmentant ainsi la productivité globale de l'équipe. Visez une distance de transport manuel minimale.
!
Respectez scrupuleusement les règles de sécurité lors de la manutention manuelle de charges lourdes. Utilisez des gants de protection pour prévenir les coupures et les éraflures, ainsi que des chaussures appropriées. Ne surchargez pas les ouvriers ; si nécessaire, utilisez des moyens de petite mécanisation.
i
Un contrôle qualité constant à chaque étape du montage, y compris la vérification de la position des treillis et la conformité de leur raboutage, permet de détecter et de corriger les défauts en temps opportun, évitant ainsi des corrections coûteuses aux stades ultérieurs de la construction.